| ZJ-BÐͱê׼ת¾Ø×ªËÙ´«¸ÐÆ÷ | ||||||||||||||||||||||||||||||||||||||||||||||||||||||||||||||||||||||||||||||||||||||||||||||||||||||||||||||||||||||||||||||||||||||||
| À´Ô´£º¡¡µã»÷Êý£º1641´Î¡¡¸üÐÂʱ¼ä£º2025/5/6 10:04:20 | ||||||||||||||||||||||||||||||||||||||||||||||||||||||||||||||||||||||||||||||||||||||||||||||||||||||||||||||||||||||||||||||||||||||||
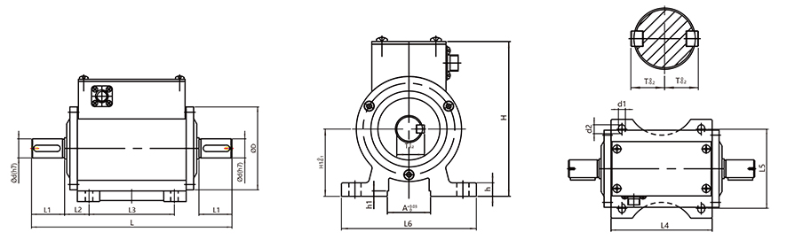
ת¾Ø×ªËÙ´«¸ÐÍâÆ÷Ðΰ²×°³ß´çͼ£º
¹æ¸ñ
£¨N.m£©
Ø
d
Ø
D
L1
L2
L3
L4
L5
L6
H1
H
L
h
¼ü
b*h*l*n
T
A
h1
5-50
18
78
31
23
80
102
80
100
50
115
188
10
6X6X25X1
225
32
4
100
18
78
31
23
80
102
80
100
50
15
188
10
6X6X25X1
20.5
32
4
200
28
90
41
23.5
80
101
86
105
60
131
209
10
7X8X35X1
31
32
4
500
38
102
55
21.5
85
100
100
120
65
142
238
12
10X8X50X2
22
38
5
1000
48
116
70
25.5
84
105
124
150
75
159
275
15
14X9X65X2
27.5
42
5
2000
48
116
70
25.5
84
105
124
150
75
159
275
15
14X9X65X2
27.5
42
5
5000
75
145
105
48
69
100
156
180
90
188.5
375
15
20X12X95X2
42
| ||||||||||||||||||||||||||||||||||||||||||||||||||||||||||||||||||||||||||||||||||||||||||||||||||||||||||||||||||||||||||||||||||||||||
| ¡¾Ë¢ÐÂÒ³Ãæ¡¿¡¾¼ÓÈëÊղء¿¡¾´òÓ¡´ËÎÄ¡¿ ¡¾¹Ø±Õ´°¿Ú¡¿ | ||||||||||||||||||||||||||||||||||||||||||||||||||||||||||||||||||||||||||||||||||||||||||||||||||||||||||||||||||||||||||||||||||||||||
| ÉÏһƪ£ºZJ-BÐͱê׼ת¾Ø×ªËÙ´«¸ÐÆ÷¡¡ÏÂһƪ£º¹¤ÒµÀäË®»ú |
- Ť¾Ø´«¸ÐÆ÷
- ת¾Ø×ªËÙ´«¸ÐÆ÷
- ´Å·ÛÀëºÏÆ÷
- ´Å·ÛÖÆ¶¯Æ÷
- ÕÅÁ¦¿ØÖÆÆ÷
- ¾ÀÆ«¿ØÖÆÆ÷
- °²È«¿¨ÅÌ(°²È«¼ÐÍ·£©
- ÆøÕÍÖá
- µçÎÐÁ÷ÖÆ¶¯Æ÷
- »úÆ÷È˹ؽÚÄ£×é²âÊǪ̂
- ´ÅÖÍÖÆ¶¯Æ÷
- ´ÅÖÍÀëºÏÆ÷
- ´ÅÖͲ⹦»ú
- µçÎÐÁ÷²â¹¦»ú
- µçÁ¦²â¹¦»ú
- ´Å·Û²â¹¦»ú
- Ë®Á¦²â¹¦»ú
- µ×Å̲⹦»ú
- ×ê»ú²âÊǪ̂
- ÎÏÂÖÏä/·§ÃÅ/Ö´ÐÐÆ÷²âÊǪ̂
- ·¢¶¯»ú/³µÇÅ/±äËÙÏä/PTO²âÊǪ̂
- ¼õËÙ»ú²âÊǪ̂
- Ò·Òý»ú²âÊǪ̂
- µç»ú²âÊǪ̂
- ÐÐÐǼõËÙ»ú²âÊǪ̂
- RV/г²¨¼õËÙ»ú²âÊǪ̂
- Һѹ.Æø¶¯Âí´ï²âÊǪ̂
- Һѹ°âÊÖ²âÊǪ̂
- ²âÊÔÈí¼þ
- »Ø×ªÖ§³Å²âÊǪ̂
- ²É¼¯ÒDZí
- ÐÂÄÜÔ´Æû³µ±äËÙÏä²âÊǪ̂
- ·Ç±ê¶¨ÖƲâÊǪ̂
- ¸ßµÍÎÂÊÔÑéÏä
- ÁªÖáÆ÷
- ¹¤ÒµÀäË®»ú
- Ť¾ØÐ£×¼



